东京丰洲市场水产品3月第四周市况








东京丰洲市场水产品市况
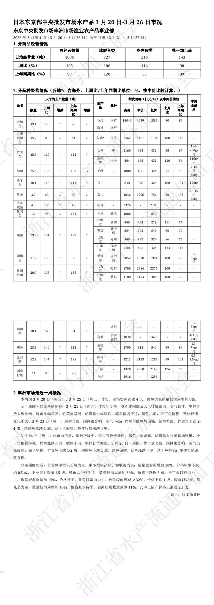
2026年3月第四周
3月第4周,东京丰洲市场因3月20日、3月25日两次休市,实际营业4天。尽管交易天数缩短,市场总经营量仍达到日均1086吨,其中鲜鱼727吨,较前周增加6%,冷冻鱼也较前周增长16%;但从周内交易表现看,雨天与连休因素持续压制买气,盘面整体仍以震荡整理为主,重点鱼种之间的分化进一步加大。
本周盘面:到货回升鱼种走势继续分化
从经营数据看,本周丰洲市场总经营量日均1086吨,周比105%;其中鲜鱼727吨,周比106%;冷冻鱼216吨,周比116%;盐干加工品143吨,周比90%。和上年同期相比,总量略低于去年同期,但鲜鱼明显高于去年同期,冷冻鱼和盐干加工品则偏弱。整体看,本周市场供给端延续恢复态势,鲜鱼仍是最主要的支撑项。
但供给回升并没有带来明显的价格共振。周内走势显示,3月21日连休间隙叠加天气转好,买气较佳,整体走货尚算顺畅;3月23日、3月26日受降雨影响,买气转弱;3月24日虽临近休市、到货减少,但市场承接依然有限。也就是说,本周行情并不是单边转强,而是在天气、休市节奏和补货需求之间反复拉扯,整体呈现“涨跌互现、局部偏强、但总体不稳”的特征。
分品种看:重点鱼种走势继续分化
01
竹荚鱼:数量增加,但价格分化明显
本周竹荚鱼日均到货45.8吨,较前周增加10%,以长崎中型鱼和高知、和歌山中小型鱼为主。不过,其价格表现并不一致:中型价格下跌约0.5成,中小型价格则上涨逾1.5成。说明竹荚鱼虽然整体供应有所放大,但不同规格在市场上的承接情况存在明显差异,中小规格相对更受支撑。
02
鲭鱼:到货增幅突出,但价格承压最明显
鲭鱼本周日均到货25.3吨,较前周增加36%,增幅在重点鲜鱼中较为突出,但价格却下跌近3成,是本周承压最明显的品种之一。周内虽有“小幅走高”“坚挺”等阶段性表现,但从周度结果看,增量并未转化为价格支撑,市场对鲭鱼的消化能力仍然有限。
03
沙丁鱼、鲣鱼:供给增加,价格总体尚稳
沙丁鱼本周日均到货38.4吨,较前周增加15%,价格持平;鲣鱼日均到货23.8吨,较前周增加40%,价格基本持平。两者都属于“量增价稳”型品种,说明在当前市场环境下,这类鱼种虽然供应放大,但尚未出现明显的价格失守。尤其鲣鱼到货增幅较大而价格未明显下探,显示其市场承接力相对尚可。
04
鱿鱼:量减价弱,成交氛围仍偏淡
鱿鱼本周日均到货3.0吨,较前周减少32%,价格下跌1成。通常情况下,到货收缩会对价格形成一定支撑,但本周鱿鱼反而延续偏弱走势,说明其问题并不在供给端,而在需求端承接不足。换句话说,当前鱿鱼市场的成交氛围仍然偏淡。
05
剥离牡蛎:数量下降,但三陆产价格走高
与多数鲜鱼不同,剥离牡蛎本周呈现出“量减价强”的特征。其日均到货7.1吨,较前周减少11%,其中三陆产价格上涨近2.5成。这个表现说明,在供给收缩背景下,牡蛎价格获得了更直接的支撑,也成为本周少数价格表现偏强的品种之一。
总结
总体来看,东京丰洲市场第4周的盘面依然可以概括为 “恢复中的分化”。一方面,鲜鱼、冷冻鱼到货继续回升,说明供给端修复仍在推进;另一方面,买气受天气和节奏因素影响较大,价格表现并未同步改善,不同鱼种之间的强弱差异反而更加明显。从重点品种看,竹荚鱼呈现规格分化,鲭鱼“量增价弱”最为突出,沙丁鱼和鲣鱼总体持稳,鱿鱼延续偏弱,剥离牡蛎则在减量背景下走强。



评论