败走PC市场后,Rambus靠XDR内存,在专业领域打出了翻身仗,吸取Direct RDRAM的全部教训,把单引脚带宽做到同期DDR的4倍
但Rambus并没有放弃深耕多年的高带宽内存路线。它把前代踩过的所有坑、行业反馈的所有痛点全部复盘重构,推出了下一代革命性高带宽内存系统——XDR(Extreme Data Rate)。
这一次,Rambus不仅把内存带宽推到了行业新巅峰,还彻底避开了Direct RDRAM的致命短板,最终放弃了和DDR硬刚消费级PC市场,转身在游戏主机、高端专业设备领域成功封神,把自己的技术优势真正落地成了商业价值。
一、信令再突破:八倍数据率,刷新内存速率天花板
Direct RDRAM的RSL信令已经做到了同期领先,而XDR直接在高速传输上再进一步,推出了颠覆性的八倍数据率(Octal Data Rate, ODR)差分信令系统,直接把单引脚带宽拉到了同期DDR2的4倍以上。
这套信令系统的核心设计,是把时钟倍频和双沿传输做到了极致:
-
只用400~800MHz的低速主时钟,实现控制器和DRAM的全局同步,降低系统时序设计难度;
-
通过锁相环(PLL)生成与主时钟锁相、频率高达4倍的高速差分信号;
-
在高速差分信号的上升沿、下降沿都传输数据,最终实现一个主时钟周期,完成8次1bit数据传输的恐怖能力。
最终,XDR的单引脚数据率直接做到了3.2Gbps,而同期主流的DDR2内存,单引脚最高速率仅800Mbps,哪怕是后来的DDR3,首发最高速率也只有1600Mbps。同时,它采用的低摆幅点对点差分信号,天生具备极强的抗干扰能力,能在消费级ASIC和DRAM工艺下稳定实现超高速传输。

XDR内存系统的八倍数据率信令与FlexPhase去偏移框图
二、FlexPhase技术:彻底解决前代最大的工程痛点
Direct RDRAM当年普及的最大障碍之一,就是近乎苛刻的主板布线要求:所有信号线路必须严格匹配路径长度,保证时序对齐,否则高速信号就会出错,不仅主板成本高,设计门槛也劝退了绝大多数厂商。
而XDR针对性地推出了FlexPhase时序校准技术,直接从根源上解决了这个问题。
-
它在内存控制器里集成了可逐位调整的DLL(延迟锁相环)电路,能自动补偿每一路信号的飞行时间差异,还能实时校准温度漂移带来的时序偏差;
-
读操作时,它能自动消除返回数据的位间时序偏差;写操作时,它能主动调整时序,保证数据和选通信号精准同步到达DRAM芯片。
这项技术的核心价值,是彻底取消了内存系统对线路等长布线的强制要求,主板设计难度和成本大幅下降,不用再为了时序做复杂的蛇形等长布线,把复杂度留在了控制器端,没有增加DRAM芯片的成本,完美避开了前代的核心短板。
三、架构全面重构:把Direct RDRAM的坑全填上了
除了信令和时序校准的核心升级,XDR从系统拓扑到芯片内部架构,都做了针对性的重构,几乎解决了Direct RDRAM所有被行业诟病的设计缺陷。
1. 更灵活的系统拓扑,兼顾高速与易用性
XDR重新设计了内存系统拓扑,不再像Direct RDRAM那样追求极致的全路径匹配,而是更贴合主流系统的设计习惯:
-
命令与地址总线采用路径匹配的单向广播设计,运行速率远低于数据总线,降低了布线难度;
-
数据总线采用点对点设计,最大化发挥高速传输的优势,配合FlexPhase技术,不用再严格管控信号 skew;
-
单通道的带宽扩展性依然拉满,同时系统设计难度远低于Direct RDRAM。

XDR内存系统的基础拓扑图
2. 芯片内部架构:兼顾极致带宽与灵活度
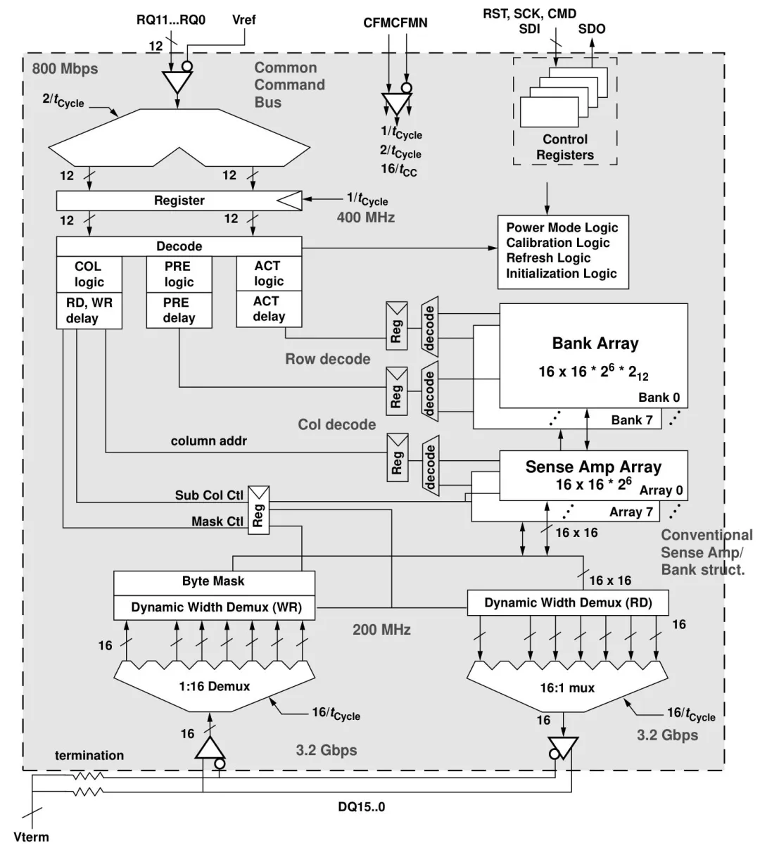
XDR的DRAM芯片架构,完全跳出了Direct RDRAM的框架,在提升带宽的同时,解决了前代的多个核心痛点:
-
16位预取架构+可变位宽设计:预取长度从Direct RDRAM的8位提升到16位,完美匹配3.2Gbps的超高速接口;同时创新性地支持可变数据位宽配置,最低可配置为1bit位宽,最小访问粒度仅16bit,彻底解决了前代访问粒度过大、小数据传输效率低的问题。
-
奇偶独立Bank组,告别复杂的写缓冲:Direct RDRAM的写缓冲虽然解决了写读周转问题,但带来了内存一致性维护的额外负担,大幅增加了控制器复杂度。XDR直接放弃了写缓冲设计,把芯片内部的Bank分为奇偶两个独立的Bank组,配套推出ERAW(Early Read After Write,写后早读)特性。
简单来说,只要写命令和读命令发给不同的Bank组,两者就能并行执行,完全避开了内部总线和I/O资源的争抢,既大幅压缩了写读周转延迟,又不用控制器维护写缓冲的地址一致性,从根源上降低了系统设计复杂度。
- 统一命令总线
:不再像Direct RDRAM那样分离行、列命令通道,用一套统一的命令总线传输所有指令,进一步简化了控制器和系统布线的设计。

XDR DRAM器件的内部架构框图

支持ERAW特性的XDR DRAM器件写后读操作示意图
四、放弃消费级内卷,换赛道精准封神
有了Direct RDRAM的前车之鉴,XDR从一开始就没打算和DDR阵营争夺消费级PC市场,而是精准瞄准了对内存带宽有极致需求、对成本敏感度低的专业场景,把自己的技术优势发挥到了极致。
其中最经典的落地案例,就是索尼的PS3游戏主机。PS3搭载的Cell处理器拥有8个协同处理核心,对内存带宽有着近乎苛刻的要求,同期的DDR2内存完全无法满足,而XDR的超高带宽、低延迟并发访问能力,完美匹配了Cell处理器的需求,成为了PS3最核心的硬件黑科技之一,支撑起了主机的海量图形与运算数据吞吐。
除了游戏主机,XDR还在高端网络设备、专业图形工作站、高性能嵌入式系统等场景广泛落地。这些场景的共性,就是需要持续的高带宽内存访问,不会出现PC里“低负载场景用不上高性能”的尴尬,也能接受高性能带来的合理成本溢价,是XDR最完美的落地场景。
结尾
XDR的成功,是一次典型的“技术找对场景”的商业案例。
它没有重蹈Direct RDRAM的覆辙,没有拿着先进技术硬刚不匹配的消费级市场,而是先针对性解决了前代的所有致命短板,再转身找到能发挥自己核心优势的赛道,最终实现了技术价值与商业价值的双赢。
而Rambus在XDR上验证的高速差分信令、动态时序校准、多Bank并发优化等技术,也成为了整个内存行业的宝贵遗产,深刻影响了后续的GDDR图形内存、HBM高带宽内存的技术发展,至今仍在高端算力、图形渲染领域发挥着作用。


评论